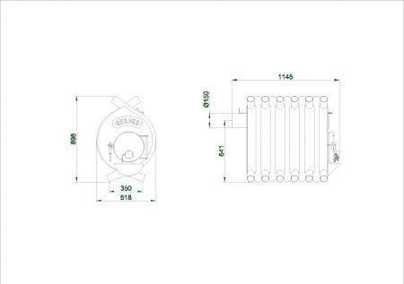
| Sobă canadiană - QUEBEC Clasic Tip 03 , 26 Kw -600mc Sobele „QUEBEC” sunt eficiente, ecologice şi au un randament mare (75-80%). • Randamentul mare şi cedarea ridicate de căldură se realizează datorita arderii în regimul generării gazului şi datorita arderii în sistem mocnit. • Soba"TORONTO" are un design suprinzător şi seamănă cu un motor. Este în mod special proiectată astfel, pentru a trage aerul de jos prin ventilaţiile de sus, încălzindu-l pe parcursul drumului. În acelaşi timp, designul unic permite arderea intensă şi reţinerea îndelungată a căldurii, folosind la maximum energia focului de lemne. • Confecţionată din oţel de înaltă rezistenţă de 4 mm, soba QUEBEC creează o atmosferă specială în orice spațiu. Există designuri diferite ale oţelului de înaltă rezisteţă, a cadrului pe care este montată şi mai multe tipuri de încasetare, special concepute pentru a putea adapta soba în spaţii deja personalizate, fără să afecteze stilul abordat de dumneavoastră. Astfel, soba QUEBEC devine o experienţă personală deosebit de călduroasă. • O încărcare a lemnului este suficientă pentru 4-8 ore! Acesta este încă un avantaj indiscutabil al sobei „TORONTO”: sunt suficiente două-trei încărcări ale combustibilului pe zi. Regulatorul puterii de pe uşiţa arzătorului şi de regulator-gazeificător de pe conducta de fum permit controlarea eliminării căldurii şi setarea temperaturii dorite şi a timpului de ardere. • Combustibili pentru „QUEBEC” pot fi deşeurile de lemn, lemn, brichete, peleți, deşeuri de produse din carton, baloți de paie, turbă, rumeguș etc. Uşa mare a cuptorului şi volumul camerei de ardere permit utilizarea buştenilor chiar foarte mari. Cel mai bine însă, este să fie utilizaţi buşteni rotunzi mari, având lungimea cuptorului. Iată încă o altă caracteristică foarte valoroasă a acestui echipament: în cazul necesității de încălzire a unei case cu un etaj sau două, se poate recurge la sistemul de conducte de aer pentru încăperi adiacente şi etaj.QUEBEC, de asemenea, poate fi utilizat ca un sistem de încălzire de rezervă în paralel cu alte sisteme termice. • Este utilizată pentru încălzirea unor spații de până la 100 m3; • Există 7 tipodimensiuni ale sobei, ce se deosebesc prin puterea lor, fiecare fiind calculată pentru încălzirea unui anumit volum al spațiului: 100, 200, 400, 600, 1 000 , 1 300 si 2000m3. Caracteristici tehnice Volumul încăperii, 600 mc Putere, 26 Kw Înălțime, mm 890 mm Lățime, 645 mm Lungime, 1110 mm Greutate, 155 Kg Diametrul coșului de fum 150 mm Suplimentar, puteți comanda: Suport pentru sobă SS-03 Dimensiuni h/l/L, 200х600х1140, greutate 14 kg. |